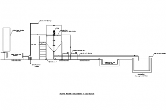
Chemical Wastewater Treatment Batach Reator3 m3 /Batch
Chemical Wastewater Treatment Batach Reator3 m3 /Batch
Chemical Treatment
Chemical Wastewater Treatment Batach Reator 3 m3/Batch











